Адрес электронной почты защищен от спам-ботов. Для просмотра адреса в вашем браузере должен быть включен Javascript.

Разработка конструкторской документации

Полный спектр разрабатываемой документации согласно ЕСКД и международным стандартам

Мы разрабатываем все виды конструкторской документации, необходимой для производства, сборки, контроля и эксплуатации изделий.

Чертежи общего вида

Определяют конструкцию изделия, взаимодействие его составных частей и принцип работы.

Состав:

  • Изображения изделия (виды, разрезы, сечения)
  • Основные параметры и габаритные размеры
  • Спецификация составных частей
  • Технические требования

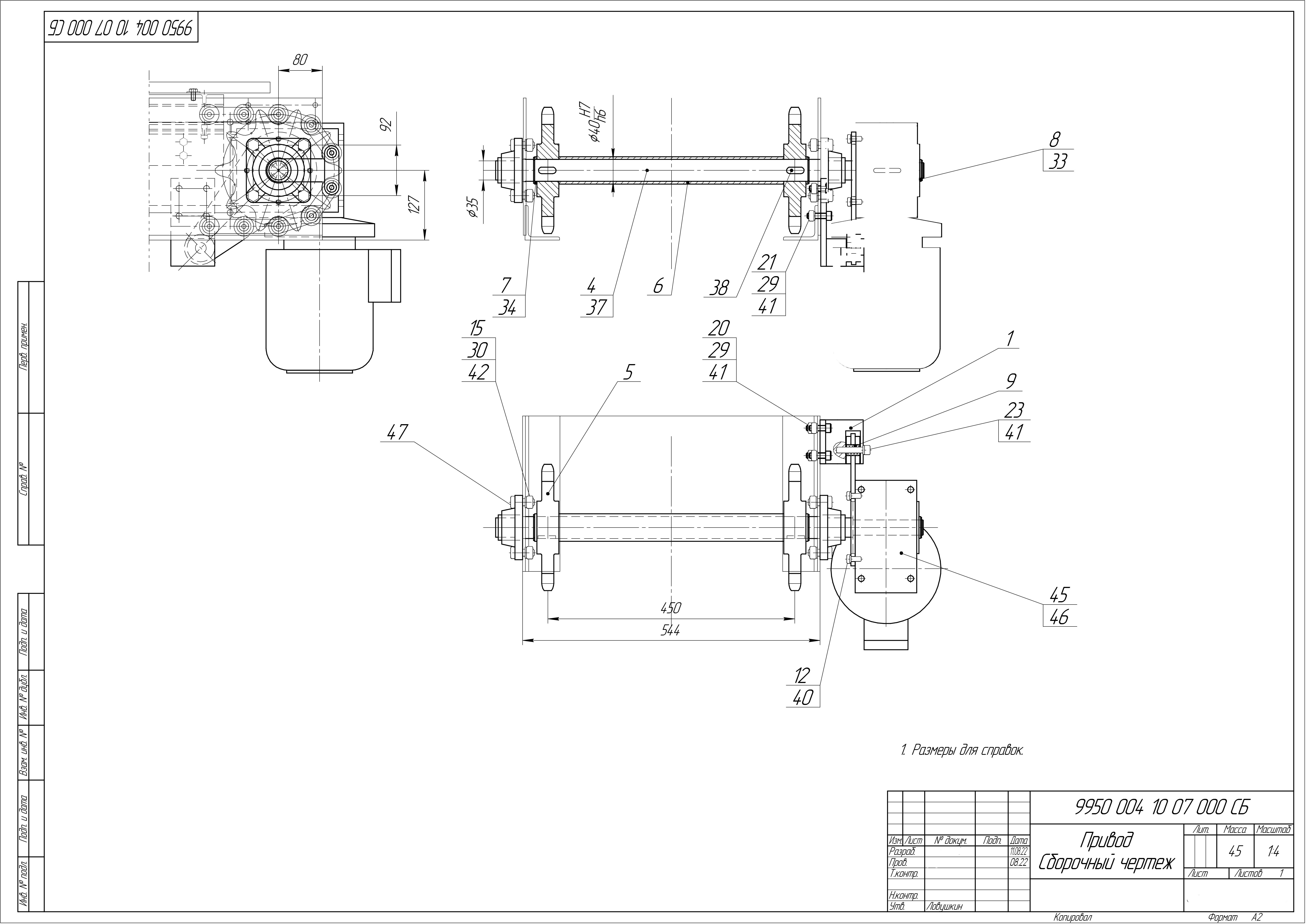
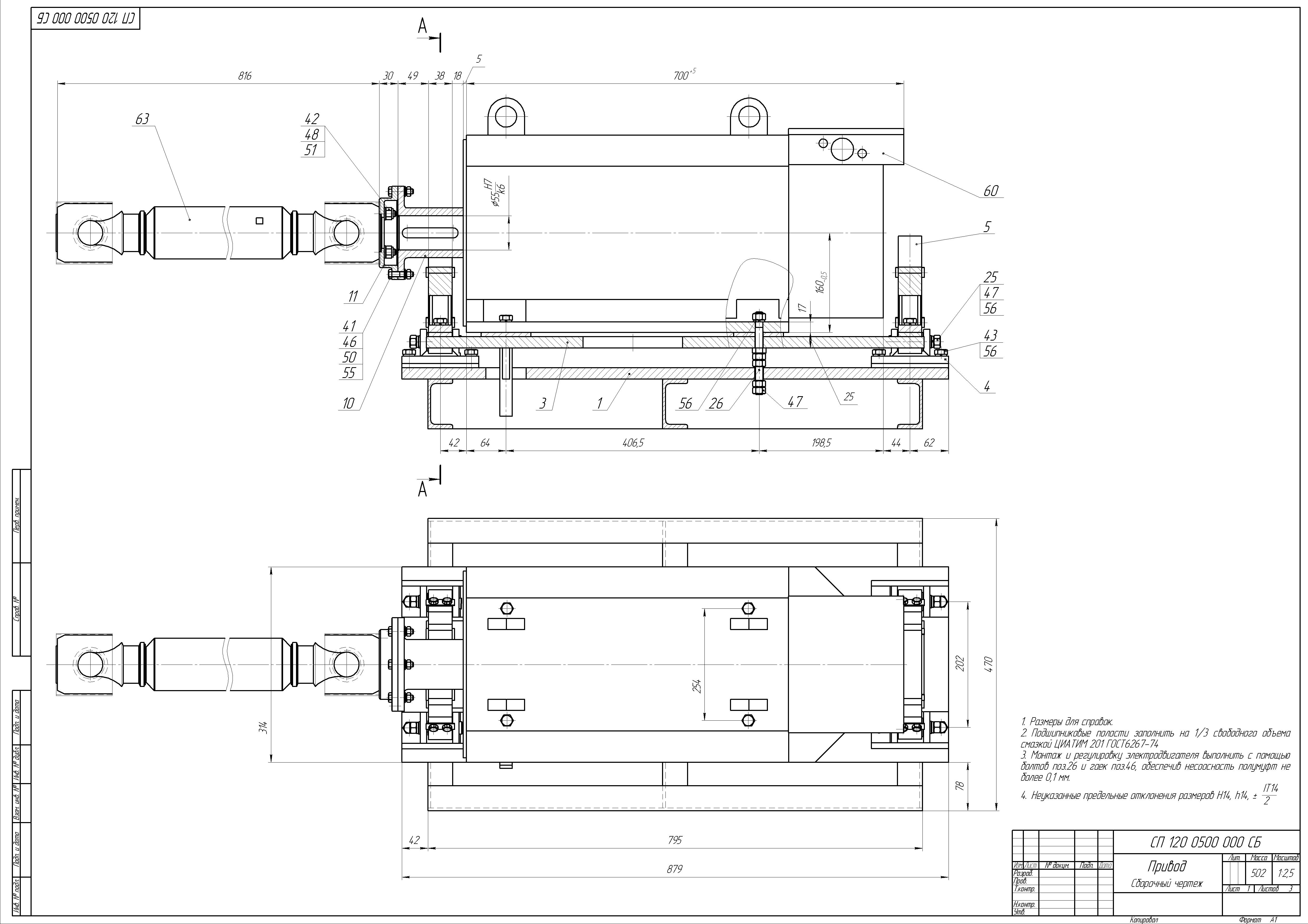
Сборочные чертежи

Содержат данные, необходимые для сборки (изготовления) и контроля сборочной единицы.

Состав:

  • Изображения сборочной единицы
  • Размеры, допуски и посадки
  • Номера позиций составных частей
  • Указания по сборке и контролю

Чертежи деталей

Содержат информацию для изготовления и контроля отдельной детали.

Состав:

  • Изображения детали (необходимые виды, разрезы)
  • Все необходимые размеры и допуски
  • Указания по материалу, термообработке
  • Шероховатость поверхностей

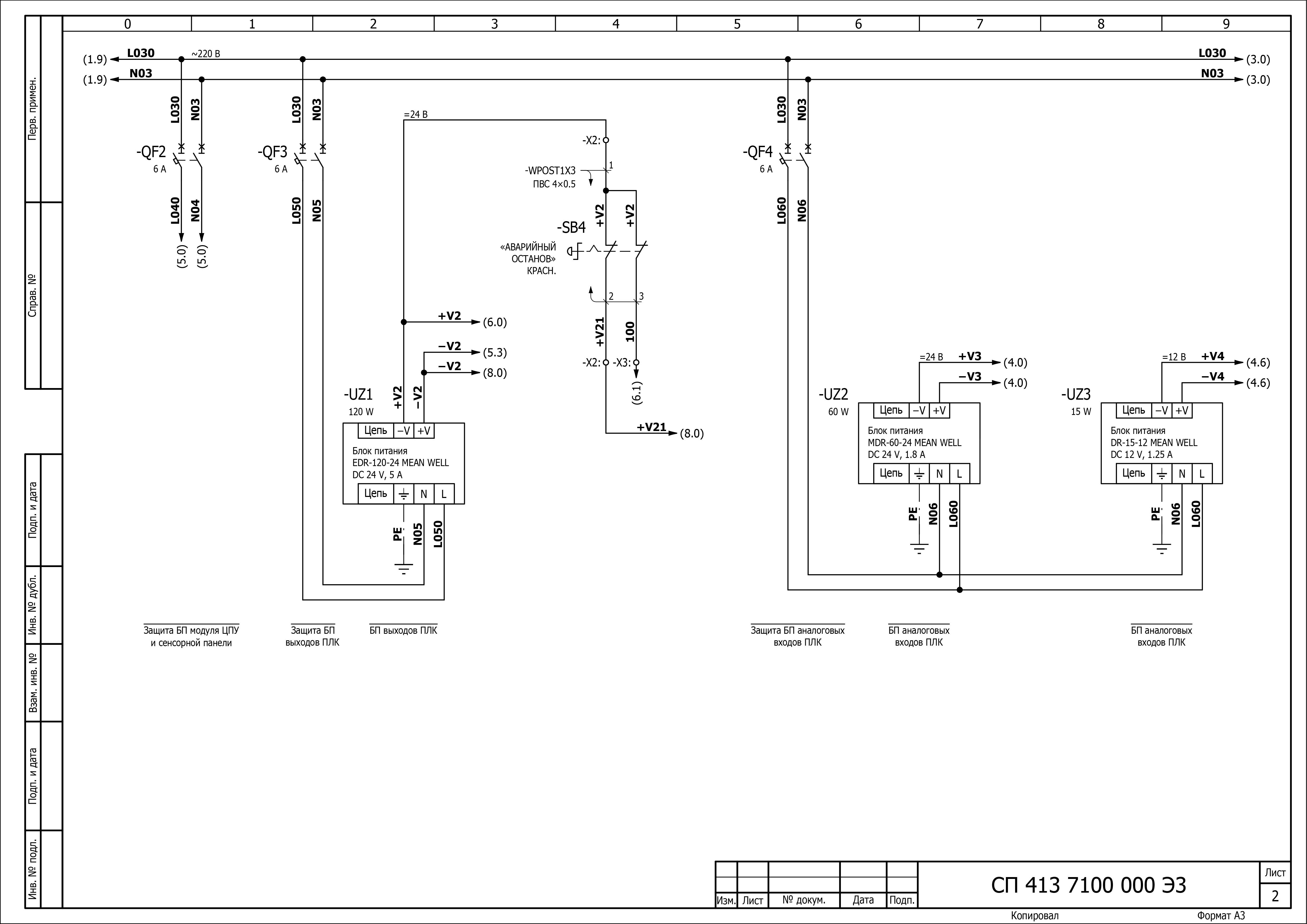
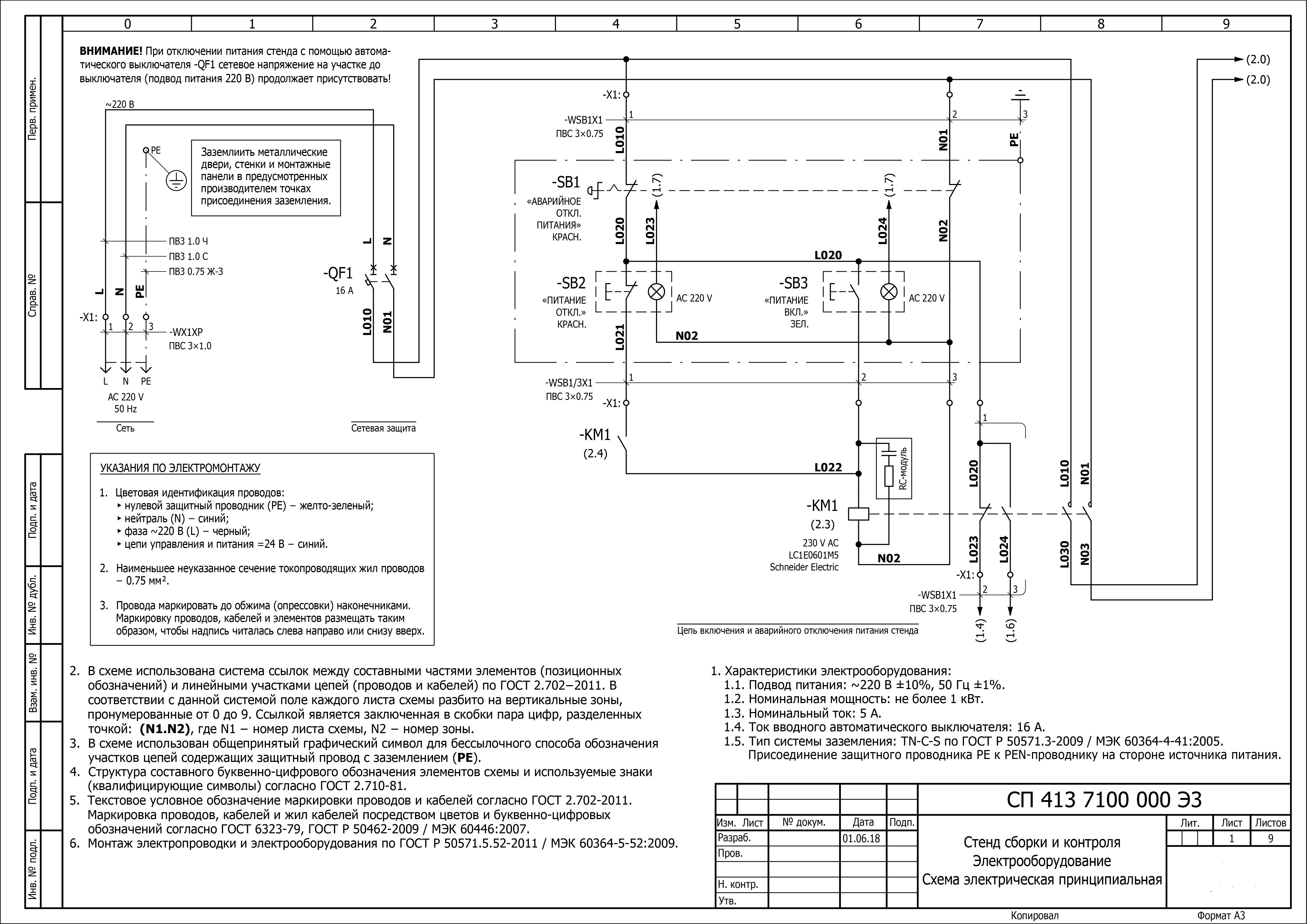
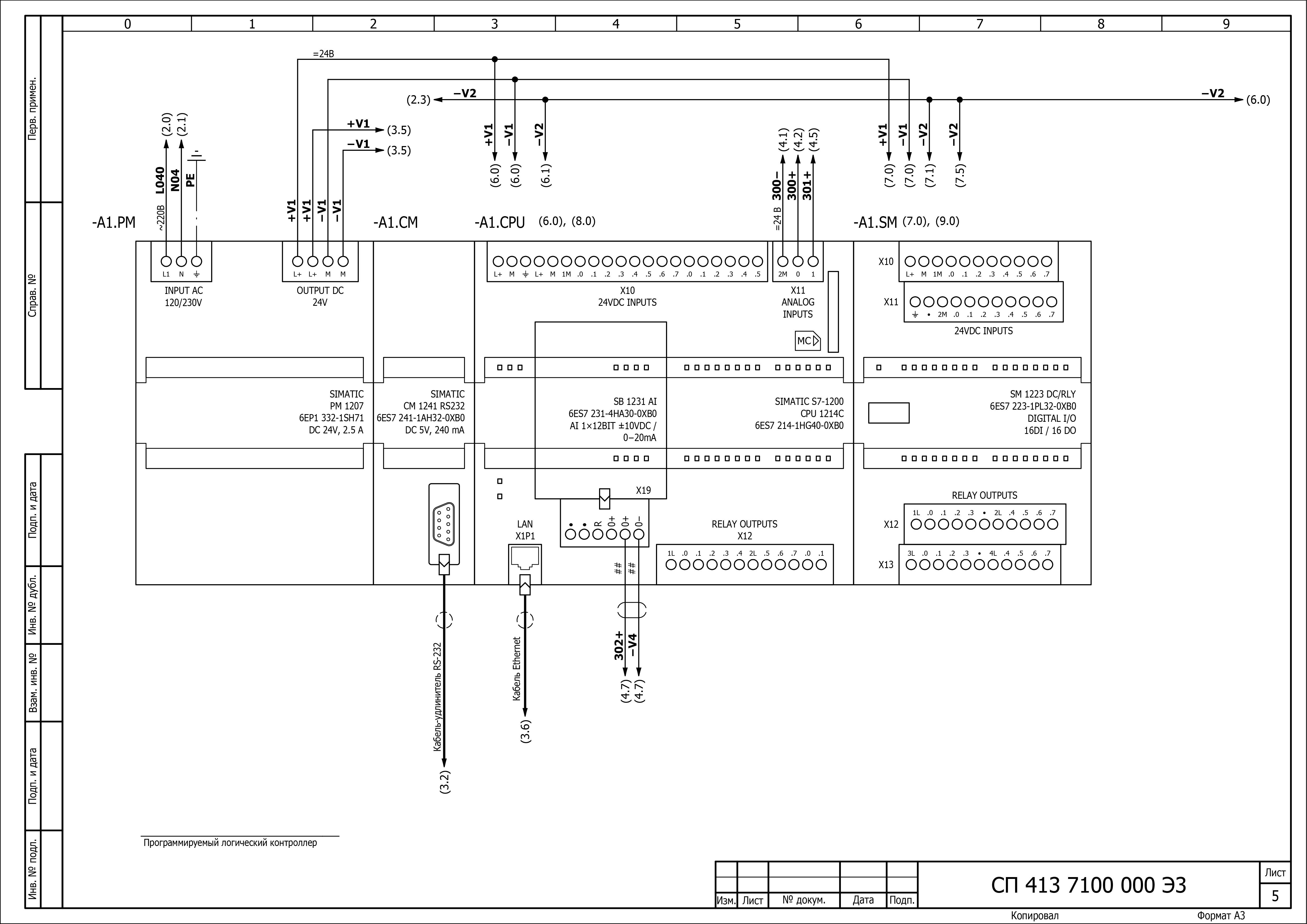
Схемы


Определяют составные части изделия и связи между ними.

Виды схем:

  • Кинематические
  • Гидравлические и пневматические
  • Электрические принципиальные
  • Схемы соединений

Спецификации


Определяют состав сборочной единицы, комплекса или комплекта.

Состав:

  • Перечень всех составных частей
  • Обозначения документов на эти части
  • Количество составных частей
  • Дополнительные сведения

Эксплуатационная документация

Устанавливают требования к изделию, его изготовлению, контролю, приемке и поставке.

Содержание:

  • Технические требования
  • Требования безопасности
  • Правила приемки
  • Методы контроля и испытаний

Мы разрабатываем документацию в соответствии требованиям различных рынков.

ЕСКД

Единая система конструкторской документации - российские стандарты

ГОСТ

ГОСТ 2.ххх серии, ГОСТ 3.ххх серии и другие отраслевые стандарты

ISO

Международные стандарты, включая ISO 128, ISO 129, ISO 1101

Ориентировочная стоимость разработки конструкторской документации:

от 1200 руб

Стоимость формата А4 входящего в состав КД

от 3500 руб

Стоимость сборочного чертежа формата А3 входящего в состав КД

от 5000 руб

Стоимость схемы подключения (Э5)

Image

Примеры наших работ

Разработка КД кристаллизатора для выработки коагулянта

Наши клиенты

akron
avgust
nobelrussiv
Avtovaz
GAz
MO_RF